○佐伯市火災予防条例施行規則

平成17年3月3日

規則第237号

(趣旨)

第1条 この規則は、佐伯市火災予防条例(平成17年佐伯市条例第341号。以下「条例」という。)の実施のための手続その他施行に関し必要な事項を定めるものとする。

(燃料電池発電設備、変電設備、急速充電設備、発電設備及び蓄電池設備の標示)

第2条 条例第8条の3第1項及び第3項の燃料電池発電設備、条例第11条第1項第5号及び第3項の変電設備、条例第11条の2第2項の急速充電設備、条例第12条第2項及び第3項の発電設備並びに条例第13条第2項及び第4項の蓄電池設備の標識は、幅15センチメートル以上、長さ30センチメートル以上のものに地色は白色、文字は黒色をもって縦書きで表示しなければならない。

(立入禁止の標示)

第3条 条例第17条第3号の水素ガスを充てんする気球の掲揚場所の立入りを禁止する標識は幅30センチメートル以上、長さ60センチメートル以上のものに地色は赤色、文字は白色をもって縦書きで表示しなければならない。

(喫煙等の標示)

第4条 条例第23条第2項の「禁煙」、「火気厳禁」又は「危険物品持込み厳禁」の標識は、消防長が指定した場所の客席の前面に幅25センチメートル以上、長さ50センチメートル以上のものに地色は赤色、文字は白色をもって縦書きで表示しなければならない。

2 条例第23条第3項の消防長が指定する場所で劇場等に設ける「喫煙所」の標識は、幅30センチメートル以上、長さ10センチメートル以上のものに地色は白色、文字は黒色をもって横書きで表示しなければならない。

(指定数量未満の危険物及び指定可燃物の標示)

第5条 条例第31条の2第1号(条例第33条第2項で準用する場合を含む。)及び条例第34条第5号の標識及び掲示板は、次のとおりとする。

(1) 標識及び掲示板は、幅30センチメートル以上、長さ60センチメートル以上の板とし、地を白色、文字を黒色とすること。

(2) 防火に関し必要な掲示板は、可燃性液体類にあっては「火気厳禁」、綿花類にあっては「火気注意」とし、地を赤色、文字を白色とすること。

(3) 標識及び掲示板は、同一板を使用してもよいこと。この場合の大きさは第1号で規定する大きさとすること。

(定員等の標示)

第6条 条例第39条第4号の劇場等の定員表示板の標識は、幅30センチメートル以上、長さ25センチメートル以上のものに、地色は白色、文字は黒色、満員札の標識は幅50センチメートル以上、長さ25センチメートル以上のものに地色は赤色、文字は白色としてそれぞれ横書きで表示しなければならない。

(指定催しの指定に係る通知等)

第6条の2 条例第42条の2第3項の規定による通知は、指定催しの指定通知書(様式第1号)により行うものとする。

2 条例第42条の3第2項の規定による火災予防上必要な業務に関する計画の提出は、火災予防上必要な業務に関する計画提出書(様式第1号の2)に火災予防上必要な業務に関する計画を記載した書類を添えて行わなければならない。

(防火対象物の使用開始の届出)

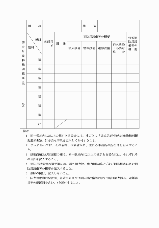
第7条 条例第43条の届出は、防火対象物使用開始届出書(様式第1号の3)及び防火対象物棟別概要追加書類(様式第2号)によって消防長に届け出なければならない。

(火を使用する設備等の設置の届出等)

第8条 条例第44条第1号の熱風炉、第2号の多量の可燃性ガス又は蒸気を発生する炉及び第3号の据付面積2平方メートル以上の炉(個人の住居に設けるものを除く。)第3号の2の入力の合計が350キロワット以上の厨房設備、第4号の入力70キロワット以上の温風暖房機、第5号のボイラー又は入力70キロワット以上の給湯湯沸設備、第6号の乾燥設備、第7号のサウナ設備、第7号の2の入力70キロワット以上のヒートポンプ冷暖房機、第8号の火花を生ずる設備、第8号の2の放電加工機の届出は、様式第3号によって消防長に届け出なければならない。

2 条例第44条第9号の高圧又は特別高圧の変電設備(全出力50キロワット以下のものを除く。)第10号の急速充電設備(全出力50キロワット以下のものを除く。)第11号の燃料電池発電設備、第12号の内燃機関による発電設備、第13号の蓄電池設備の設置の届出は、様式第4号によって消防長に届け出なければならない。

3 条例第44条第14号の設備容量2キロボルトアンペア以上のネオン管灯設備の設置の届出は、様式第5号によって消防長に届け出なければならない。

4 条例第44条第15号の水素ガスを充塡する気球の設置の届出は、様式第6号によって消防長に届け出なければならない。

(火災と紛らわしい煙等を発するおそれのある行為等の届出)

第9条 条例第45条第1号の火災と紛らわしい煙又は火炎を発するおそれのある行為をしようとする者は、様式第7号によって消防長に届け出なければならない。

2 条例第45条第2号の煙火(がん具用煙火を除く。)の打上げ又は仕掛けの行為をしようとするものは、様式第8号によって消防長に届け出なければならない。

3 条例第45条第3号の劇場等以外の建築物その他の工作物における演劇、映画その他の催物の開催の行為をしようとする者は、様式第9号によって消防長に届け出なければならない。

4 条例第45条第4号の水道の断水又は減水の行為をしようとする者は、様式第10号によって消防長に届け出なければならない。

5 条例第45条第5号の消防隊の通行その他消火活動に支障を及ぼすおそれのある道路工事の行為をしようとする者は、様式第11号によって消防長に届け出なければならない。

6 条例第45条第6号の多数の者の集合する催しに際して行う露店等を開設しようとする者は、様式第11号の2によって消防長に届け出なければならない。この場合において、当該催しを主催する者が当該露店等の開設を一括して届け出ることを妨げない。

7 条例第45条の2の指定とう道等の届出は、様式第12号によって消防長に届け出なければならない。

(指定数量未満の危険物等の貯蔵及び取扱いの届出等)

第10条 条例第46条第1項に規定する届出は、様式第13号によって消防長に届け出なければならない。

2 条例第46条第2項に規定する届出は、様式第14号によって消防長に届け出なければならない。

(タンクの水張検査等の申請及び検査済証の交付)

第11条 条例第47条に規定するタンクの水張検査又は水圧検査を受けようとする者(以下「申請者」という。)は、様式第15号の申請書を消防長に提出しなければならない。

2 消防長は、前項の申請書を受理し、検査を行った結果、条例第31条の4若しくは第31条の5又は第31条の6の規定に適合していると認めたときは、タンク検査済証(様式第16号)を申請者に交付しなければならない。

(届出の時期)

第12条 第7条から第10条までに規定する届出は、あらかじめ(期日のあるものはその期日まで)各号様式(正副)により消防長に届け出なければならない。

2 消防長は、前項の届出を受理したときは調査を行い、火災予防上支障がないと認めたときは副本に様式第17号の届出済印を押印して届出者に交付するとともに必要な措置をしなければならない。ただし、電子情報処理組織(佐伯市行政手続等における情報通信の技術の利用に関する条例(平成17年佐伯市条例第12号)第3条第1項に規定する電子情報処理組織をいう。)を使用する方法により前項の規定による届出がされた場合は、この限りでない。

(公表の対象となる防火対象物及び違反の内容)

第13条 条例第47条の2第3項の規定により定める公表の対象となる防火対象物は、消防法施行令(昭和36年政令第37号)別表第1(1)項から(4)項まで、(5)項イ、(6)項、(9)項イ、(16)項イ、(16の2)項及び(16の3)項に掲げる防火対象物で、消防法(昭和23年法律第186号)第17条第1項の政令で定める技術上の基準に従って屋内消火栓設備、スプリンクラー設備又は自動火災報知設備を設置しなければならないもののうち、同法第4条第1項の規定による立入検査においてこれらの消防用設備等が設置されていないと認められたものとする。

2 条例第47条の2第3項の規定により定める公表の対象となる違反の内容は、前項の防火対象物に屋内消火栓設備、スプリンクラー設備又は自動火災報知設備が設置されていないこととする。

(公表の手続)

第14条 条例第47条の2第1項の規定による公表は、前条第1項の立入検査の結果を通知した日から14日を経過した日において、なお、当該立入検査の結果と同一の違反の内容が認められる場合に、当該違反が是正されたことを確認できるまでの間、佐伯市消防本部のホームページへの掲載により行うものとする。

2 前項に規定する方法により公表する事項は、次に掲げるものとする。

(1) 前条第2項に規定する違反が認められた防火対象物の名称及び所在地

(2) 前条第2項に規定する違反の内容(当該違反が認められた防火対象物の部分を含む。)

(3) その他消防長が必要と認める事項

(施行期日)

1 この規則は、平成17年3月3日から施行する。

(経過措置)

2 この規則の施行の日(次項において「施行日」という。)の前日までに、解散前の佐伯地域広域市町村圏事務組合火災予防条例施行規則(昭和47年佐伯地域広域市町村圏事務組合規則第16号。次項において「解散前の規則」という。)の規定によりなされた手続その他の行為は、この規則の相当規定によりなされたものとみなす。

3 施行日の前日までに解散前の規則の規定により設けた標識等は、この規則の規定により設けた標識等とみなす。

(平成24年9月28日規則第38号)

この規則は、平成24年12月1日から施行する。ただし、第2条の見出しの改正規定(「変電設備」を「燃料電池発電設備、変電設備」に改める部分に限る。)及び同条の改正規定(「変電設備」の次に「、条例第11条の2第2項の急速充電設備」を加える部分を除く。)は、公布の日から施行する。

(平成26年7月11日規則第14号)

この規則は、平成26年8月1日から施行する。

(平成31年3月29日規則第3号)

この規則は、平成31年7月1日から施行する。

(令和元年6月28日規則第16号)

この規則は、公布の日から施行する。

(令和2年12月25日規則第36号)

この規則は、令和3年4月1日から施行する。ただし、第1条の規定は、公布の日から施行する。

(令和5年9月1日規則第27号)

この規則は、公布の日から施行する。

(令和5年12月20日規則第33号)

この規則は、令和6年1月1日から施行する。

画像

画像

画像画像

画像

画像

画像

画像

画像

画像

画像

画像

画像

画像

画像

画像

画像

画像

画像

画像画像

画像

佐伯市火災予防条例施行規則

平成17年3月3日 規則第237号

(令和6年1月1日施行)

体系情報
第12編 防/第4章 火災予防
沿革情報
平成17年3月3日 規則第237号
平成24年9月28日 規則第38号
平成26年7月11日 規則第14号
平成31年3月29日 規則第3号
令和元年6月28日 規則第16号
令和2年12月25日 規則第36号
令和5年9月1日 規則第27号
令和5年12月20日 規則第33号